1. 서 론
2. 매설관 모델링
2.1 보-스프링 모델
2.2 유한요소해석
3. 지중매설관 해석기법 및 해석결과
3.1 실대형 시험 제원 및 물성
3.2 변위-반력 해석 결과
3.3 지반-매설관 변형 거동
4. 결 론
1. 서 론
수도권 집중화와 더불어 이를 완화하기 위한 노력으로 신도시 계획이 꾸준히 진행되고 있으며, 지방의 균형 발전을 위한 개발 계획도 함께 추진되고 있다. 이러한 도시 개발은 대부분 충분한 기간시설과 주택을 공급하는 데 목적이 있어 대규모의 부지가 필요하므로, 이를 위해 그 동안 개발이 되지 않은 지역을 중심으로 계획이 추진되고 있다. 그러나, 이러한 지역은 대심도 퇴적/연약층 지역 또는 대규모 준설/매립지역 등 도심지로 개발하기에는 부적절하여 기피되었던 지역이 다수 포함되어 있다. 일반적으로 연약지반이 포함된 대규모 개발사업에서는 도로, 통신, 상하수도 시설 등의 기간시설 구간만 연약지반 처리를 수행하고 나머지는 미처리된 상태에서 민간에 제공되므로, 추가 구조물이 계획될 경우에는 별도의 안정성 검토가 필요하다. 그러나 국내에서 연약지반의 변형에 의한 구조물 안전성 기준은 침하량 기준 정도로만 제시되어 있으므로 실제 구조물의 안전성을 평가하기 위해서는 각 조건에서 구조물의 침하량과 상응하는 부재력을 산정하여 안전성을 평가해야 한다.
가스관과 같은 지중 매설관의 경우, 지반변형 발생에 따른 안정성 평가 방법으로 지반특성을 스프링으로 매설관을 보 부재로 모사하는 보-스프링 모델(Winkler Model) 또는 쉘-스프링 모델이 활용되었으며, 현재까지도 실무에서 널리 활용되고 있다. 전통적인 보-스프링 모델은 매설관을 보 요소로 지반을 횡/상하/축방향 3개 방향의 탄소성 스프링으로 모델링하여 안정성을 평가하는 방법이다. 이러한 보-스프링 모델에서 가장 중요한 요소는 지반의 하중-변위 특성을 반영한 스프링 계수의 산정이다. 실무에서는 이론식 또는 하중-변위 관계식을 활용한 스프링 계수 산정방법이 적용되고 있고, 현재까지도 널리 활용되고 있는 Guidelines for the Design of Buried Steel Pipe(ALA, 2001) 설계기준에서도 Hansen(1961)의 말뚝에서 횡방향 변위-반력 산정 방법을 추천하고 있다.
그러나, 지반의 변형특성을 지반반력 값으로 단순화하여 특정하기에는 배수/비배수 조건, 변형율에 따른 경화/연화 효과, 상대밀도에 따른 첨두강도/잔류강도 변화 등 복잡하고 다양한 거동 특성을 나타내므로 지반의 특성을 단순히 스프링 모델로 모사하는 경우 실제와 동떨어진 결과로 평가할 위험성이 있다. 스프링 강도특성 산정에서만 보더라도 실무에서는 지반 모델링에서 활용되는 스프링의 강성을 완전 탄소성(elastic-perfect plastic) 부재로 가정하는 반면, 실제 지반은 밀도에 따라 첨두강도 도달 후 일정 값의 잔류강도에 수렴하는 특성을 나타낸다. 또한, 지반은 각 방향의 응력 범위에 따라 변형특성이 변화하는 비선형 거동이므로 보-스프링 모델과 같이 3개 방향으로 독립적인 스프링으로 단순화 모델링을 적용하기에는 무리가 있다. 특히, 연약지반 압밀침하, 지진에 의한 지반변형, 액상화, 비탈면 붕괴 등과 같은 대변형 해석에서는 실제 지반 거동과는 상이한 결과가 나타날 가능성이 커지므로 지반의 복합거동과 비선형성을 반영할 수 있는 연속체 모델의 적용이 필요하다.
앞서 언급한 보-스프링 단순화 모델의 한계를 보완하기 위하여 매설관과 지반을 연속체로 모델링한 유한요소해석법에 관한 연구가 지속적으로 진행되어 왔다. Katona et al.(1976)는 연속체해석을 매설관 거동 연구에 도입하였고, 지반-매설관의 상호거동을 모사하기 위하여 경계면(interface) 요소를 적용하였다. Guo(2005)는 보-스프링 모델에서 각각 독립적으로 거동하는 스프링 모델의 문제를 해결하기 위하여 연속체 해석을 적용하여 매설관은 보요소, 지반은 연속체 요소로 모델링하고 접촉면 특성을 반영하여 일정 응력 이상에서 매설관과 지반의 상대변위를 허용하는 수치해석을 수행하였다. Kang et al.(2007)은 매설관 뒷채움의 강성차에 의한 아칭효과를 고려한 연속체 해석을 수행하였고, Jung(2011)은 소성과 연화특성을 반영한 지반특성을 모델링하고 매설관을 쉘요소, 접촉면 특성을 적용하여 상하방향 및 횡방향 거동 해석을 수행하였으며, Ban et al.(2013)은 콘크리트 매설관과 지반에 접촉개념을 적용하여 해석을 수행하였다.
본 논문은 지반의 비선형성 특성을 고려해야 하는 대변형 문제에서 보-스프링 모델을 대체하여 적용할 수 있는 여러 연속체 모델링 기법을 비교·검토하는 것이 목적이므로, 해석결과의 적정성을 평가하기 위하여 기존 실대형시험 연구사례 중, 비교적 최근에 수행된 Burnett(2015)의 매설관 횡방향 거동 시험결과를 활용하였다. Burnett은 매설관의 두 가지 직경 조건과 조밀한 모래와 느슨한 모래 두 가지 지반조건, 매설심도-직경비(H/D, H: 매설심도, D: 관의 직경) 1.0과 3.0 두 가지 조건을 기준으로 케이스를 구성하여 실대형시험을 수행하였다. 각 시험 조건별 매설관의 변위-반력 결과를 측정하고 횡방향 반력 계수를 산정하였으며, 추가로 모래 입자의 변형 양상을 디지털 이미지로 분석하여 지반의 파괴 거동을 시각적으로 분석하는 연구도 수행하였다. 본 논문에서는 매설관의 직경 250mm, 조밀한 모래지반 조건에서 매설심도-직경비(H/D) 1.0과 3.0 2가지 시험 조건에 대하여 수치해석으로 시험을 모사하고 실대형시험에서 측정된 변위-반력 결과와 비교하였다. 또한, 추가로 Burnett이 수행한 지반의 파괴거동 이미지 분석 결과와 수치해석 결과도 비교·검토하였다.
2. 매설관 모델링
2.1 보-스프링 모델
1960년대부터 매설관의 거동에 관한 연구가 활발히 진행되기 시작하였고, 초기 단계에서는 지중 구조물인 말뚝 또는 앵커의 개념을 도입한 이론적 방법에 관한 연구를 수행하였다. Audibert & Nyman(1977)은 관의 직경에 따른 하중-변위 관계를 이론적 해석방법으로 제시하고 실내시험 결과와 비교하는 연구를 수행하였으며, 이후에는 매설관 축을 중심으로 축방향, 횡방향, 상방향, 하방향 4가지 요소로 하중-변위 관계를 선정하고 안전성을 평가하는 방법을 제시하였다. 이후에는 다양한 실내 및 실대형시험을 수행하여 기존 이론해들을 검증하고 변위-하중 관계를 보완하여 설계 시 지반스프링의 산정방법을 제시하였다. 이처럼 기존 연구들은 대부분 지반의 하중-변위 변형특성을 산정하는 데 초점이 맞추어져 진행되어 왔으며, 이를 통해 산정된 지반의 변형특성을 활용, Fig. 1과 같이 보-스프링 모델에 적용하여 매설관의 거동을 평가하였다. 현재도 실무에서 적용되고 있는 Guidelines for the Design of Buried Steel Pipe(ALA, 2001)에서는 Hansen의 하중-변위 관계를 추천하고 있으며, 횡방향 스프링 계수산정을 위해 Eq. (1)과 Fig. 2를 제시하고 있다.
(1)
여기서, Nch : 점토의 횡방향 반력 계수(0 for c=0)
Nqh : 횡방향 반력 계수(0 for φ=0°)
ALA(2001)에서 제시한 Hansen의 Eq. (1)로부터 반력계수는 무차원 값으로 점착력(c), 마찰각(φ), 관의 직경(D) 및 매설심도(H)의 관계식으로부터 계산되어 단순 스프링 강성으로 적용되나, 실제 지반의 반력은 Hansen이 고려한 요소 외에도 지반의 배수/비배수 조건, 변형율에 따른 경화/연화 효과, 상대밀도에 따른 항복강도 변화 등 다양한 변수들을 반영해야만 한다. 특히 보-스프링 모델에서 지반 스프링의 경우, 3개 축 방향으로 독립적인 완전 탄소성(elastic-perfect plastic) 부재로 가정하는 반면, 실제 지반은 밀도에 따라 최대강성과 잔류강성 값에 차이가 발생하고 각 축 방향으로 발생 응력에 따라 서로 영향을 주는 복합거동을 한다는 문제가 있다. 이처럼 복잡한 지반 특성은 연약지반 압밀침하, 지진에 의한 지반변형, 액상화, 비탈면 붕괴 등과 같은 대변형 해석에서 실제 지반과는 상이하게 평가될 가능성이 커지므로 지반의 복합거동과 비선형성을 반영할 수 있는 연속체 모델의 적용이 필요하다.
2.2 유한요소해석
매설관 안정성 검토에서 전통적인 보-스프링 모델을 대체하여 지반의 대변형 발생 시 지반의 비선형성을 반영하고, 지반-매설관 상호작용을 모사할 수 있는 연속체해석에 기반을 둔 모델링 기법을 비교하고 ABAQUS 프로그램을 활용하여 실무에서도 적용이 가능한 여러 해석기법에 대하여 검토하였다.
근래 수치해석 연구에서는 실제 지반에 근접한 거동을 모사하기 위해 변형특성을 bi-linear 또는 hyperbolic 모델(Duncan & Chang, 1970)을 널리 활용하고 있다. 그러나, 본 논문에서 수치해석 결과와 비교를 위해 인용한 실대형시험(Burnett)의 기본 토성시험 결과에서 건조모래의 밀도, 마찰각 및 팽창각만으로 정리되어 있어, 지반의 밀도, 마찰각 및 팽창각 특성을 적용할 수 있는 Mohr-Coulomb 모델을 적용하였다. 기존 축 방향별 독립적인 스프링 강성 값을 적용하는 보-스프링 모델과는 달리, 연속체 해석에서는 지반의 변형계수, 포아송비, 마찰각 및 팽창각 적용으로 비선형성과 복합거동 특성이 반영된다.
매설관 안정성 검토에서 연속체모델을 적용할 때 추가로 지반-매설관 상호작용을 고려해야 한다. 터널, 깊은기초, 개착 Box 및 U-type 구조물 등 지중구조물의 수치해석의 경우, 실무에서는 지반과 구조물의 상호작용을 무시하는 경우가 일반적이다. 그러나 대변형 조건에서 매설관의 경우, 지반과 상대변위가 크게 발생하고 경우에 따라서는 공극도 발생하게 되므로, 실무에서와 같이 구조체와 지반의 절점을 공유하는 방식의 모델링은 지반에 과도한 인장력을 발생시키는 등 실제와는 상이한 결과가 발생할 수 있으므로 지반-매설관 상호작용 반영이 필요하다. 본 연구에서는 ABAQUS 프로그램의 surface-to-surface 접촉면 조건을 적용하였고, 접촉면 수직 방향으로는 hard contact 조건을 적용하여 절점 간 침투가 발생하지 못하도록 하였고, 접촉면 접선 방향으로는 penalty 조건을 적용하여 마찰 응력이 일정 값에 이른 후에 상대변위가 발생하도록 접촉면 특성을 적용하였다.
지진, 액상화, 사면 활동 등과 같이 지반에 급속한 변형이 발생하는 경우, 매설관도 동적 거동을 하고, 이러한 급속한 지반과 매설관의 거동은 대변형 특성을 나타내므로 일반적인 정적상태 연속체 해석 수행 시 수렴이 어렵다는 문제가 발생한다. 동적해석은 힘의 평형방정식보다는 운동역학에 근거한 해석으로 연속체 해석 시 수렴이 용이하므로 본 연구에서는 정적해석과 동시에 동적해석도 동일한 조건으로 해석을 수행하였다.
최근에는 다양한 동적 해석방법이 적용되고 있으며, ALE(Arbitrary Lagrangian Eulerian) 방법과 대변형 지반해석에 적합한 CEL(Coupled Eulerian Lagrangian) 해석방법도 지반분야 연구에 활용되기 시작했다. 본 논문에서도 동적해석(Explicit), ALE, CEL 방법을 각각 적용하여 수치해석을 수행하고 정적해석과 실대형시험 결과와 비교·검토하였다. Fig. 3에서와 같이 ALE 방법은 모델의 기하구조에 고정된 전통적인 해석격자 구성방법과 달리 각 하중-변위 증분에 따라 연속체 격자를 재구성하는 방식으로 과도한 변위 발생 해석에 적합한 방법이다. 또한, Fig. 4와 같이 CEL 방법은 모델의 기하구조에 고정된 Lagrangian 격자와는 다르게 공간에 고정되고 격자 영역 내의 물성의 이동량을 계산하여 모델의 변형을 정의하는 해석법이다. CEL 방법은 변형이 과도하게 발생하는 조건에서도 해석격자의 왜곡과 접촉문제 발생 확률이 낮아 수렴성이 뛰어나므로 기존에는 유체역학 분야에서 널리 활용되었던 해석방법이나 최근에는 대변형 지반 문제에도 적용되기 시작하고 있는 해석방법이다.
본 논문에서는 Table 1과 같이 지반-매설관 절점공유(Tie model) 방법과 접촉조건 적용방법(Contact model), 정적해석법과 동적해석법, 2차원 및 3차원 모델링을 적용하여 수치해석을 수행하고 실대형시험 결과와 비교·검토하였다.
Table 1.
Case of finite element model and formulation
3. 지중매설관 해석기법 및 해석결과
3.1 실대형 시험 제원 및 물성
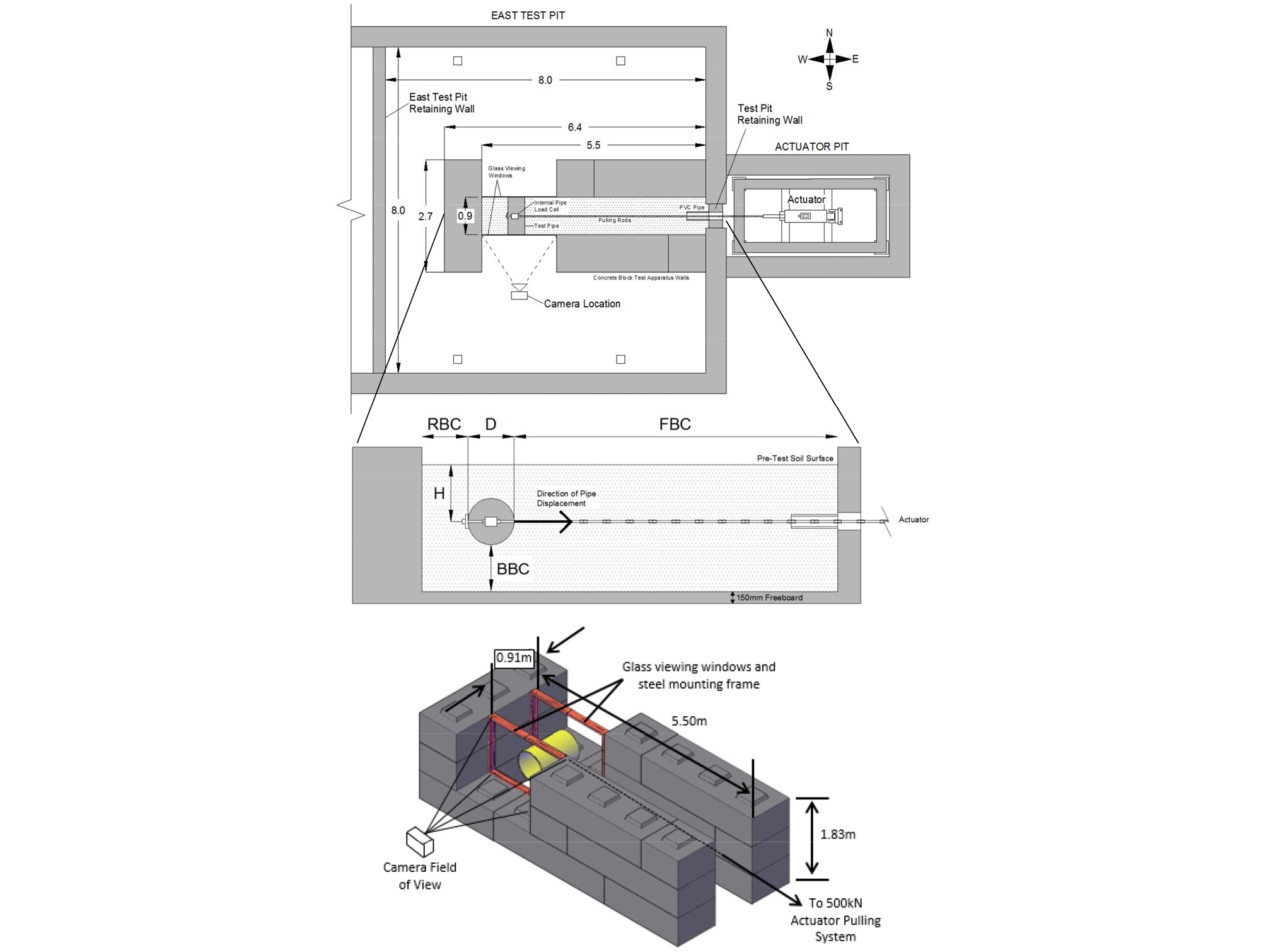
수치해석 모델은 실대형시험 결과와 비교·검토를 위해 Burnett(2015)의 실대형 시험과 동일한 제원을 적용하였다. Fig. 5는 실대형 시험 개요도로 시험 토조의 제원과 센서 및 디지털 카메라 위치를 표시하고 있다. Fig. 6 수치해석 모델도 실대형시험 조건과 동일하게 지반은 길이 5.50m, 높이 1.83m, 폭 0.91m로 구성하였고, 매설관 직경(D)은 250mm, 횡방향 이동속도는 5mm/분을 적용하였다. 매설심도는(H) 0.25m와 0.75m 두 가지로 매설관 직경 대비 매설심도 비(H/D) 1.0과 3.0의 두 가지 조건에 대하여 수치해석을 수행하였다.
실대형 시험에서 지반은 Synthetic Olivine 모래를 사용하였으며, 조밀한 모래의 입도분포 특성은 Table 2, 삼축압축시험 결과 지반강도 특성은 Table 3과 같이 제시하고 있다. 수치해석에서도 실대형 시험 토성시험 결과와 동일한 지반정수를 Mohr-Coulomb 모델에 적용하였다. 매설관은 탄성 부재로 단순 가정하여 변형계수와 포아송비 물성을 적용하고, 보요소(2차원) 또는 쉘요소(3차원)로 모델을 구성하였다.
Table 2.
Grain size analysis of Synthetic Olivine sand
| Soil | D10 (mm) | D50 (mm) | Cc | Cu |
| Dense sand | 0.42 | 0.83 | 1.10 | 1.98 |
Table 3.
Material properties of soil and pipe
| Soil | E (MPa) | ν | ρ (kg/m3) | φ (°) | ψ (°) | c (MPa) |
| Dense sand | 3.0 | 0.3 | 1,613 | 42 | 16 | 0 |
| Pipe | 209,000 | 0.3 | 7,850 | - | - | - |
3.2 변위-반력 해석 결과
매설관 횡방향 거동 수치해석결과를 매설심도비(H/D) 1.0과 3.0으로 구분하여 지반의 변위-반력 관계에 대하여 정적해석과 동적해석법에 따라 결과를 구분하여 정리하였다. 수치해석 결과는 ALA(2001) 제안 값과 Burnett(2015)의 실대형시험 결과와 비교하여 해석결과의 적정성을 검증하였다. ALA(2001)가 제안한 변위-반력 특성은 완전 탄소성 관계로 조밀한 모래 지반에서 극한강도와 잔류강도의 차이를 반영하지 못하고 있으나, 실대형시험 결과에서는 지반의 반력이 극한강도까지 증가하고 일부 감소 수렴하여 잔류강도를 확인할 수 있다. 매설심도비 1.0인 얕은 심도에서 반력의(잔류강도) 크기는 유사한 결과를 확인하였으나, 매설심도비 3.0에서는 ALA 방법이 보수적인 반력 값을 나타내는 것으로 확인되었다.
매설심도비 1.0에서 정적해석의 결과는 Fig. 7, 동적해석의 결과는 Fig. 8에 정리하였다. Fig. 7 정적해석 결과에서 ALA 방법, 실대형시험 및 해석조건 case 1-1, 1-2, 1-3, 1-4 결과를 비교하였다. Case 1-1과 1-2는 지반과 매설관의 절점을 공유하는 모델로 시험 결과에 비해 큰 반력을 나타내었고, 3차원 해석인 case 1-2의 경우 변위 증가에 따라 반력도 증가하는 경향을 확인하였다. 지반-매설관 상호작용을 고려한 접촉면 조건 해석 case 1-3과 1-4는 극한강도에서는 다소 작은 반력이 확인되었으나 잔류강도에서는 ALA 제안 및 실대형시험과 유사한 결과를 확인하여, 지반-매설관 상호작용 적용 수치해석이 실제 매설관의 거동에 근접한 해석방법인 것으로 확인하였다.
Fig. 8 동적해석 결과에서는 모두 지반-매설관 상호작용을 고려한 접촉면 조건을 적용하였다. 동적해석에서는 극한강도 이후 잔류강도로 진행 경향이 정적해석에 비해 뚜렷하게 확인되었으며, 동적해석/Explicit case 1-5가 다소 과도한 반력이 산정되었으나, 동적해석/ALE 및 CEL 방법에서는 실대형시험 결과와 유사한 반력 결과를 확인하였다. 정적해석 case 1-3과 1-4는 변위 60mm 이상에서 수렴이 되지 않았으나, 동적해석에서는 모든 조건에서 해석이 진행되어, 대변형 조건 지반 문제에서는 정적해석보다 수렴성이 좋은 동적해석 적용도 고려할 필요가 있는 것으로 판단된다.
매설심도비 3.0에서 정적해석 결과는 Fig. 9, 동적해석 결과는 Fig. 10에 정리하였다. Fig. 9 정적해석 결과에서 해석조건 case 2-1과 2-2가 실대형시험 및 다른 수치해석 결과보다 과도한 반력을 산정하는 것을 확인하였다. 모든 해석 결과에서 ALA 방법이 보수적으로 작은 반력이 산정되었으며, 수치해석에서는 실대형시험에서와 같이 극한강도 도달 후 잔류강도로 진행되는 경향은 확인되지 않았다. 지반-매설관 상호작용을 고려한 접촉면 적용 조건 case 2-3과 2-4가 실대형시험과 유사한 잔류강도를 나타내었다. 매설심도비 3.0에서도 지반과 매설관의 절점을 공유하는 방식은 과도한 반력을 산정하는 경향이 확인되어, 설계단계에서 매설관 안정성 수치해석 수행 시 유의가 필요할 것으로 판단된다.
Fig. 10 동적해석 결과에서는 모든 조건에서 지반-매설관 상호작용을 고려한 접촉면 조건을 적용하였다. 동적해석(explicit) case 2-5는 실대형시험과 유사한 반력이 산정되었으나, ALE 및 CEL 방법은 ALA 방법과 유사한 반력 결과를 확인하였다.
3.3 지반-매설관 변형 거동
매설관의 변형에 따른 지반의 거동은 매설관의 직경, 매설심도 및 지반의 특성에 따라 결정된다. Audibert & Nyman(1977)은 시험을 통해 매설관 변형 시 지반거동을 육안으로 확인하고, 매설심도가 낮을 경우(Fig. 11(a)), 매설관 진행방향 앞쪽으로 수동쐐기 구간이 지표까지 형성되고, 관의 이동에 따라 발생한 공간으로 쓸려 들어오는 주동쐐기가 발생하는 지반파괴 형상을 확인하였다. 매설심도가 깊은 경우에는(Fig. 11(b), H/D=12~24) 수동쐐기 구간이 감소하여 매설관 앞 1~3D(D: 매설관 직경) 영역으로 축소되고 이를 “Zone of flow soil” 구간으로 명명했다. Burnett(2015)의 실대형시험 연구에서도 매설관과 주변 지반의 변형 양상을 디지털 이미지 처리 과정을 통해 분석하여 Audibert & Nyman(1977)과 유사한 결과를 확인하였다. 본 연구에서는 Burnett의 시험 중 조밀한 모래 지반에서 매설심도비(H/D) 1.0과 3.0에 대하여 수치해석을 수행하고 파괴거동 형상을 비교·검토하였다.
실대형시험과 수치해석 지반변형 분석 결과 Fig. 12와 13과 같이 낮은 매설심도에서 Audibert & Nyman(1977)의 시험결과와 동일한 주동, 수동 및 중간 쐐기 구간을 확인하였으나, 지반-매설관 상호거동 반영 여부에 따라 쐐기 구간 크기에서 차이도 확인하였다. 매설심도비(H/D) 1.0(Fig. 12)에서는 지반과 매설관의 절점을 공유하는 경우(Case 1-1, 1-2) 실제 거동과는 상이한 인장변형율이 발생하고, 매설심도비 3.0(Fig. 13)에서는 실대형시험에서 주동과 수동쐐기 구간이 지표까지 확장되는 데 반해 지반과 매설관의 절점을 공유하는 경우(Case 2-1, 2-2) 주동과 수동쐐기 전단면이 발달하지 못하는 것을 확인하였다. 지반과 매설관의 접촉조건 적용의 경우(Case 1-3~7, 2-3~7) 전단면 형성이 뚜렷이 확인되었으며, Fig. 12(a)와 13(a)의 실대형시험 결과에서 보여지는 주 전단면(Primary shear band)과 횡방향 전단면(Horizontal shear band)도 동일하게 확인할 수 있다. 동적해석방법의 경우(Case 1-5~7, Case 2-5~7)에는 실대형시험 결과와 유사한 지반거동을 나타내었으나, 정적해석방법과 비교하여 전단면 폭이 두껍게 발생하는 것을 확인하였다.
4. 결 론
지중 매설관의 안정성 검토 방법으로 보-스프링 모델이 현재에도 널리 활용되고 있으나, 대변형 조건에서는 복잡한 지반의 비선형 거동을 반영하는 데 한계가 있다. 따라서, 대변형 지반 조건에서 매설관 안정성 검토가 필요한 경우에는 기존 보-스피링 모델을 대체하여 연속체 해석이 필요하고, 적정한 지반반력 산정을 위해서는 지반-매설관 상호거동(contact model) 적용이 필요하다. 본 연구에서는 기존 연구에서 적용되었던 다양한 연속체 해석기법을 적용하여, 해석기법별 매설관 거동 결과를 실대형시험 결과와 비교·검토하고 다음과 같은 결과를 얻었다.
(1) ALA 기준에서 제안식으로 검토한 경우, 지반반력이 실대형시험 결과와 수치해석보다 작게 산정되어 보수적인 해석 결과를 확인하였다.
(2) 매설관-지반(절점 공유조건) 상호거동 특성을 반영하지 않는 경우, 실대형시험 결과에 비해 큰 반력이 산정되었으나, 매설관-지반(contact model) 상호거동 특성을 반영한 정적해석의 경우는 실대형시험 결과에 근접한 지반반력 값을 확인하였고, 실대형시험 결과와 유사한 전단면(shear band) 확장과 주동 및 수동 쐐기형상 지반거동을 확인하였다.
(3) 정적해석 방법에서는 실대형시험과 유사한 결과를 얻었으나 반력이 변위와 함께 지속적으로 증가하거나, 대변형 해석에서 첨두강도 도달 후 수렴성에 문제가 발생하였다. 하지만, 동적해석 방법은 모든 조건에서 수렴이 되었고 지반반력 산정결과도 ALA방법과 실대형시험 범위 안에서 확인되었다. 따라서, 지진, 액상화, 비탈면 활동 등 동적변형 문제에서는 동적해석법을 적용하고, 장기간의 압밀침하의 경우에는 정적해석을 적용하는 것이 적절한 해석방법인 것으로 판단하였다.















