1. 서 론
2. 바이오매스 성능평가
2.1 실험재료
2.2 실험설계 및 공정조건
2.3 성능평가 방법
2.4 통계분석 방법
3. 결과 및 분석
3.1 경석·커피박·패각 복합 연료의 미세구조적 특성
3.2 KS M ISO 17225-6 기준 대비 연료 성능 평가
3.3 연소 후 잔재 특성 및 CaO 전환 거동
3.4 선행연구와의 비교 및 고찰
4. 결 론
1. 서 론
탄소중립과 순환경제로의 정책 전환에 따라, 폐기물 기반 비목재계 바이오매스 자원을 활용한 고형연료 기술의 실용화 가능성에 대한 공학적 검증이 요구되고 있다. 커피박은 비교적 높은 잠재 발열량을 보유한 유기성 폐자원이지만, 높은 수분 함량과 불안정한 연소 특성으로 인해 단일 연료로서의 활용에는 한계가 존재한다. 이에 따라 저온탄화(torrefaction) 공정을 통한 연료 특성 개선이 시도되어 왔으나(Bridgwater, 2012), 연소 안정성 확보 및 회분 특성 제어 측면에서는 추가적인 공학적 접근이 필요하다. 한편, 패각 유래 탄산칼슘(CaCO3)과 석회질 광물과 같은 무기 자원은 연소 과정에서 CaO로 전환되어 산성가스 저감 및 회분 안정화에 기여할 수 있으며, 연소 후 잔재의 재자원화 가능성을 제공한다(Demirbas, 2001). 본 연구는 커피박 기반 비목재계 바이오매스 연료에 무기 첨가제를 복합적으로 적용함으로써, 연료 성능 개선과 연소 후 잔재 관리 문제를 동시에 해결하는 공학적 설계 방향을 제시하고자 한다. 이를 위해 저온탄화 온도, 무기 첨가제 혼합비 및 표면 코팅 조건을 주요 공정 변수로 설정하고, EN ISO 17225-6 기준(European Committee for Standardization (CEN) (2021). EN ISO 17225-6: Solid biofuels — Fuel specifications and classes — Part 6: Non-woody pellets and briquettes. Brussels, Belgium.)에 따른 연료 품질 평가와 연소 잔재의 CaCO3→CaO 전환 특성을 분석하여 복합 고형연료 시스템의 기술적 타당성을 검증하고자 한다.
2. 바이오매스 성능평가
2.1 실험재료
본 연구에 사용된 원료는 커피박(coffee grounds), 패각(seashells), 태백 경석(Taebaek limestone)으로 구성된다. 커피박은 강원권 소재 카페 및 로스터리에서 발생한 유기성 폐자원으로, 수거 후 이물질 제거 및 자연 건조를 통해 초기 수분을 조절하였다. 패각은 강원 연안 지역에서 발생한 홍가리비 및 조개껍질 폐기물로, 해수 성분 제거를 위해 세척 및 건조 과정을 거친 후 분쇄하여 사용하였다. 태백 경석은 태백 지역에서 산출된 석회질 광물로, 분말 상태로 전처리하여 혼합 공정에 적용하였다.
각 원료의 기초 물성은 수분함량, 회분, 휘발분 및 고정탄소 비율을 중심으로 분석하였으며, 커피박은 유기성 연료 성분으로서 발열원 역할을 수행하고, 패각 및 태백 경석은 무기 결합제 및 연소 후 잔재 안정화 소재로 기능하도록 설계하였다(IPCC, 2019).
2.2 실험설계 및 공정조건
바이오매스 고체연료 제조 공정은 저온탄화, 혼합, 고압 성형 및 표면 코팅의 4단계로 구성하였다. 저온탄화 공정은 240–290℃ 범위에서 수행하였으며, 각 온도 조건에 따라 휘발분 감소 및 고정탄소 비율 변화를 관찰하였다. 탄화 시간은 모든 조건에서 30분으로 고정하였다.
혼합 단계에서는 커피박을 주원료로 하고, 패각(CaCO3) 및 태백 경석을 총 무기 성분 기준 15–25wt% 범위로 조절하였다. 혼합 비율 변화에 따른 연료 성능 차이를 평가하기 위해 CaCO3 함량을 단계적으로 변화시켰다. 성형 공정은 18–24ton/cm2 범위의 압력 조건에서 수행하여, 성형 압력에 따른 밀도 및 기계적 강도 변화를 분석하였다.
표면 코팅은 탄화수소계 코팅제를 사용하였으며, 0.5–1.2wt% 범위에서 적용하였다. 코팅 처리된 시편은 내습성 평가를 위해 상대습도 조건 하에서 수분 흡착 거동을 분석하였다.
2.3 성능평가 방법
제조된 바이오매스 고체연료의 성능 평가는 KS M ISO 17225-6(비목재계 바이오매스 연료) 기준을 중심으로 수행하였다. 주요 평가 항목은 수분함량, 회분, 저위발열량(LHV), 고위발열량(HHV), 염소 및 황 함량, 휘발분(VM), 고정탄소(FC), 밀도, 압축강도 및 내습성이다.
수분함량은 105℃ 건조법을 적용하였으며, 회분은 550–815℃ 조건에서 측정하였다. 발열량은 산소폭발열량계를 이용하여 분석하였다. 염소 및 황 함량은 이온크로마토그래피 분석을 통해 정량하였다. 고정탄소 및 휘발분은 열중량분석(TGA)을 통해 평가하였다. 압축강도는 만능재료시험기를 이용하여 측정하였으며, 내습성은 ASTM E96 기준에 따라 수분 투과율 변화를 분석하였다.
연소 후 잔재의 CaO 전환율은 X선 회절분석(XRD)을 통해 정량 분석하였으며, 잔재 조성 및 알칼리도(pH)를 추가적으로 측정하여 재자원화 가능성을 평가하였다(Pan et al., 2009).
2.4 통계분석 방법
모든 실험은 동일 조건에서 최소 3회 반복 수행하였으며, 측정 결과는 평균값과 표준편차(mean ± SD)로 나타내었다. 공정 변수(탄화온도, CaCO3 혼합비, 코팅비)에 따른 성능 차이의 통계적 유의성은 일원분산분석(one-way ANOVA)을 통해 검증하였다. 유의수준은 p < 0.05로 설정하였으며, 통계 분석은 상용 통계 소프트웨어를 이용하여 수행하였다.
이를 통해 공정 조건 변화에 따른 연료 성능 차이가 우연에 의한 것인지, 통계적으로 유의한 차이를 가지는지를 판단하였다.
3. 결과 및 분석
3.1 경석·커피박·패각 복합 연료의 미세구조적 특성
3.1.1 경석의 미세구조 특성
본 연구에 사용된 복합 고체연료는 커피박 기반 유기성 연료 성분과 함께 경석 및 패각 유래 CaCO3를 무기 성분으로 포함하는 구조를 가진다. 이에 따라 각 구성 재료의 구조적 특성을 시각적으로 확인하고, 기존 문헌에서 보고된 미세구조 특성과의 정합성을 검토하는 것은 본 연구에서 적용된 원료 조합의 타당성을 이해하는 데 중요하다.
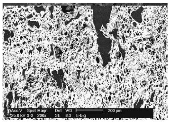
먼저, 경석은 다공성 화산암으로서 내부에 다수의 개방형 공극을 포함하는 것이 특징이며, 이러한 구조는 분쇄 및 성형 이후에도 일정 부분 유지되는 것으로 보고되어 왔다. 이러한 다공성 구조는 경량성 및 내부 결합 구조 형성에 영향을 미치는 요소로 작용할 수 있으며, 본 연구에서 사용된 경석 역시 유사한 외관 및 구조적 특성을 나타내었다(Fig. 1).
3.1.2 커피박 펠릿의 미세구조 특성
커피박 기반 펠릿은 바이오매스 고체연료 연구에서 널리 사용되는 형태로, 성형 압력 및 원료 특성에 따라 내부 공극 구조와 입자 간 결합 양상이 달라지는 것으로 알려져 있다. Kaliyan & Morey(2009)는 바이오매스 펠릿의 내부 공극 구조와 결합 특성이 기계적 강도 및 내구성에 중요한 영향을 미친다고 보고한 바 있으며(Park et al., 2018), 본 연구에서 비교 대상으로 제시한 기존 커피박 기반 펠릿 역시 이러한 일반적인 구조적 특성을 반영한다(Fig. 2).
3.1.3 패각의 미세구조 특성
패각은 주성분이 CaCO3로 구성된 천연 무기 자원으로, 칼사이트(calcite) 및 아라고나이트(aragonite)의 층상 결정 구조를 갖는 것으로 알려져 있다(Marin et al., 2008). 이러한 패각은 세척 및 분쇄 과정을 거쳐 분말 또는 입자 형태로 활용될 경우에도 기본적인 CaCO3 결정 특성을 유지하는 것으로 보고되었으며(Yao et al., 2014), 본 연구에서도 무기 첨가제로서 패각을 전처리하여 적용하였다. Fig. 3은 본 연구에서 사용된 패각 원료의 외관과 입자 형태이다.
3.2 KS M ISO 17225-6 기준 대비 연료 성능 평가
3.2.1 KS M ISO 17225-6 측정값
본 연구에서 제조된 태백 경석·커피박·패각 기반 바이오매스 고체연료는 KS M ISO 17225-6에서 규정한 비목재계 바이오매스 연료 품질 기준을 전반적으로 상회하는 성능을 나타냈다. 저온탄화 온도 270℃, CaCO3 혼합비 20wt%, 표면 코팅 1.0wt% 조건에서 도출된 최적 시편의 성능 결과는 모든 주요 항목에서 기준값을 안정적으로 만족하였다.
특히 수분함량은 3.4wt%로 KS 기준(≤10 wt%) 대비 크게 낮았으며, 이는 저온탄화 공정을 통한 수분 제거 및 휘발분 감소 효과에 기인한 것으로 판단된다. 회분 함량은 11.5wt%로 기준치 이내를 유지하면서도 무기 성분의 기능적 활용 가능성을 확보하였다. 저위발열량(LHV)은 평균 5,320kcal/kg으로, 기존 커피박 단일 펠릿의 보고값(약 3,600~4,000kcal/kg)에 비해 약 40% 이상 향상된 수준을 보였다.
또한 밀도(705kg/m3)와 압축강도(10.2MPa)는 운송 및 적재 과정에서 요구되는 기계적 안정성을 충분히 확보한 것으로 나타났으며, 표면 코팅 처리에 의해 내습성은 기존 커피박 펠릿 대비 약 20% 이상 개선되었다. 이러한 결과는 본 연구에서 적용한 복합 공정이 연료의 저장 안정성과 실사용 적합성을 동시에 향상시킬 수 있음을 시사한다. 다음 Table 1은 KS기준 대비 성능비교를 표로 작성하였다.
Table 1.
KS M ISO 17225-6 Measurement value
3.2.2 저온탄화 온도 영향 분석
탄화 온도 변화에 따른 연료 특성 분석 결과, 240℃에서 290℃로 온도가 증가함에 따라 휘발분 함량은 감소하고 고정탄소 비율은 유의미하게 증가하였다(p < 0.05). 특히 270℃ 조건에서 발열량이 최대값에 도달하였으며, 이는 셀룰로오스 및 헤미셀룰로오스 분해가 진행되면서 에너지 밀도가 최적화된 결과로 해석된다(Yoon et al., 2020).
반면, 290℃ 이상 조건에서는 회분 비율이 증가하면서 발열량이 소폭 감소하는 경향을 보였다. 이는 과도한 열처리에 따른 유기 성분 손실 및 무기 잔재 비율 증가에 기인한 것으로 판단되며, 본 연구 결과는 270℃가 커피박 기반 비목재계 바이오매스 연료의 최적 탄화 온도임을 시사한다.
3.2.3 CaCO3 혼합비 및 압축강도
CaCO3 혼합비가 15–25wt% 범위에서 증가함에 따라 압축강도와 내습성은 점진적으로 향상되는 경향을 보였다. 특히 20wt% 조건에서 압축강도(10.2MPa)와 내습성 개선 효과(+20%)가 가장 균형적으로 나타났으며, 이는 무기 결합제 역할을 수행하는 CaCO3와 태백 경석이 성형체 내부 결합 구조를 안정화시킨 결과로 해석된다.
25wt% 이상의 혼합비에서는 회분 증가로 인해 발열량이 약 2–3% 감소하였으나, 연소 후 CaO 잔재 비율은 증가하여 자원화 측면에서는 긍정적인 효과를 나타냈다. 이는 연료 성능과 잔재 활용 간의 트레이드오프 관계를 시사하며, 적용 목적에 따라 혼합비 조정이 가능함을 의미한다.
3.2.4 표면 코팅비의 최적화 코팅 조건
탄화수소계 코팅비가 증가함에 따라 내습성은 유의미하게 향상되었으며(p < 0.05), 1.0wt% 조건에서 착화성 및 수분 저항성 간의 균형이 가장 우수한 것으로 나타났다. 0.8wt% 이하에서는 장기 저장 조건에서 수분 흡착 증가가 관찰되었으며, 1.2wt% 이상에서는 점화 시간이 증가하는 경향을 보였다. 이에 따라 본 연구에서는 1.0wt%를 최적 코팅 조건으로 설정하였다.
3.3 연소 후 잔재 특성 및 CaO 전환 거동
연소 후 발생한 잔재는 전체 연료 질량의 약 11.8% 수준으로 측정되었으며, XRD 분석 결과 CaCO3의 약 71±3%가 CaO로 전환된 것으로 확인되었다. 이는 기존 패각 단일 자원 기반 연구에서 보고된 전환율과 유사하거나 다소 높은 수준으로, 복합 연료 구조 내에서도 CaCO3의 기능적 전환이 효과적으로 이루어졌음을 의미한다.
전환된 CaO는 높은 알칼리성(pH 12.3)을 나타내었으며, 이는 연소 과정 중 SOx 저감 기능뿐만 아니라 연소 후 잔재의 시멘트 혼화재 및 토양개량제로의 재활용 가능성을 시사한다. 태백 경석에 포함된 규산염 성분은 CaO와 반응하여 무기 결정 구조를 안정화시키는 역할을 수행한 것으로 판단되며, 이는 잔재의 장기 안정성 확보에 기여한다.
3.4 선행연구와의 비교 및 고찰
기존 커피박 기반 바이오매스 연료 연구는 주로 단일 유기성 자원에 초점을 맞추어 발열량 개선을 중심으로 논의되어 왔다. 반면 본 연구는 유기성 자원(커피박)과 무기성 자원(패각, 태백 경석)을 통합적으로 활용함으로써, 연료 성능 향상과 연소 후 잔재의 재자원화를 동시에 달성하였다는 점에서 차별성을 가진다.
특히 KS M ISO 17225-6 기준을 중심으로 성능을 체계적으로 검증하고, 통계적 유의성 분석을 통해 공정 변수의 영향을 정량적으로 해석하였다는 점은 기존 연구 대비 학술적 완성도를 높이는 요소로 평가된다. 이러한 결과는 비목재계 바이오매스 연료의 산업적 활용 가능성을 확장하는 동시에, 지역 순환자원 기반 에너지 시스템 구축의 기술적 근거를 제공한다.
4. 결 론
본 연구에서는 커피박, 패각 및 태백 경석을 복합적으로 활용한 비목재계 바이오매스 고체연료를 개발하고, KS M ISO 17225-6 기준에 따라 연료 성능과 순환경제적 가치를 평가하였다. 저온탄화(270℃), CaCO3 혼합비 20wt%, 표면 코팅 1.0wt% 조건에서 제조된 연료는 저위발열량 5,320kcal/kg, 수분함량 3.4wt%, 압축강도 10MPa 이상의 성능을 확보하여 기존 커피박 기반 연료 대비 현저히 개선된 품질을 나타냈다.
공정 변수에 따른 성능 변화는 통계적으로 유의한 차이를 보였으며(p < 0.05), 특히 탄화 온도와 CaCO3 혼합비가 연료의 발열량, 기계적 강도 및 내습성에 중요한 영향을 미치는 것으로 확인되었다. 연소 후 잔재 분석 결과, CaCO3의 약 71%가 CaO로 전환되어 SOx 저감 기능과 함께 시멘트 혼화재 및 토양개량제로의 재자원화 가능성을 제시하였다.
본 연구는 저온탄화(270℃), CaCO3 혼합비 20wt%, 표면 코팅 1.0wt% 조건에서 제조된 연료에 한정된 결과로서 유기성 폐자원과 무기성 폐자원을 통합한 복합 연료 모델을 통해 연료 성능 향상과 잔재 재활용을 동시에 달성할 수 있음을 실증적으로 보여준다. 이러한 결과는 비목재계 바이오매스 연료의 산업적 활용 가능성을 확장하는 동시에, 지역 순환자원 기반의 저탄소 에너지 시스템 구축을 위한 기술적 근거로 활용될 수 있을 것으로 판단된다.





